网站首页
关于我们
公司简介
总经理致辞
经营理念
企业证书
组织机构
发展历程
产品中心
OCA、AB胶用胶粘剂
保护膜用胶粘剂
标签、电子行业用胶粘剂
偏光片用胶粘剂
双面胶带、泡棉用胶粘剂
发布中心
公司新闻
数据公示
品质·安全
品质
安全
人才招聘
员工福利
招聘信息
联系我们
025-57098210
sale@soken-nj.com
Menu
搜索更多信息
搜索
搜索
首页
关于我们
公司简介
总经理致辞
经营理念
企业证书
组织机构
发展历程
产品中心
OCA、AB胶用胶粘剂
保护膜用胶粘剂
标签、电子行业用胶粘剂
偏光片用胶粘剂
双面胶带、泡棉用胶粘剂
发布中心
公司新闻
数据公示
品质·安全
品质
安全
人才招聘
员工福利
招聘信息
联系我们
立即咨询
公司新闻
数据公示
当前位置:
首页
>
发布中心
>
公司新闻
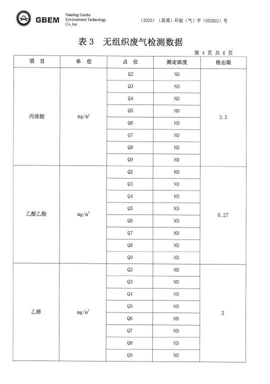
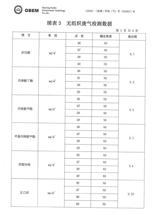
南京综研环境监测数据(20200721)
2020年07月21日 00:00
浏览次数:135次
返回列表
其他新闻推荐
SK可持续发展指南(中、日、英、泰)
道之以政,齐之以邢,民免而无耻。道之以德,齐之以礼,有耻且格。
伦理纲领的现实意义
Tel: 025-57098210
E-Mail:sale@soken-nj.com